Holley Terminator X MAX Engine Management Systems 550-916


Price:
Sale price$1,849.95
Stock:
In stock

Description

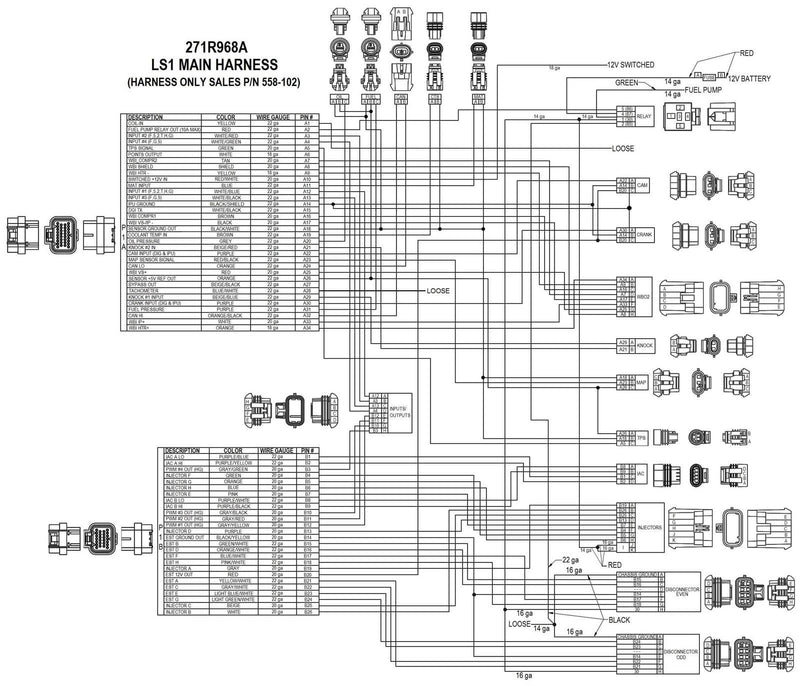
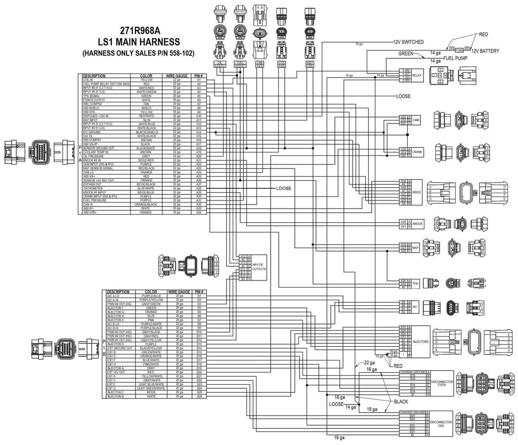
Engine Management Systems, Terminator X MAX, 8-EV1 Injectors, 8-Coils, Sensors, Trans and Tuner Controller, Chevy, LS, 5.7L, 1x Cam, 24x Crank, Kit

Payment & Security

American Express Apple Pay Diners Club Discover Google Pay Mastercard Shop Pay Visa

Your payment information is processed securely. We do not store credit card details nor have access to your credit card information.

You may also like

Recently viewed