Holley EFI 550-903 Terminator X 24X/1X EV1 LS1/LS6 MPFI Kit


Price:
Sale price$1,449.95
Stock:
In stock

Description

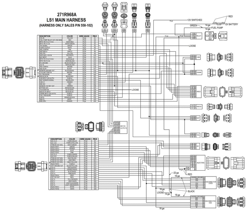
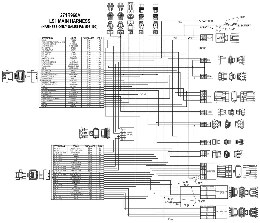
GM LS 24x Crank, 1x Cam - LS1/LS6 Engines - EV1 Injector Harness, 3.5" Touchscreen Included
  • For GM LS1/LS6 engines with 24x crank reluctor - with EV1 Injectors.
  • Real-Time fuel map learn, takes the guess work out of tuning your base fuel table.
  • High Impedance Injector Drivers will safely power most Stock LS injectors, and Holley EFI Injectors. Injector support chart provided in the instructions (Will not control Low Impedance Injectors)
  • All of the new Terminator X systems utilize the Bosch LSU 4.9 wideband to relay AFR information to the ECU for accurate reading and precise tuning control.

Payment & Security

American Express Apple Pay Diners Club Discover Google Pay Mastercard Shop Pay Visa

Your payment information is processed securely. We do not store credit card details nor have access to your credit card information.

You may also like

Recently viewed